| Производительность (кВт): | 402 |
| Объем полости (л): | 4,2 |
| Рабочее давление (МПа): | 1,0 |
| Вес (кг): | 32,8 |
| Площадь поверхности (м²): | 1,06 |
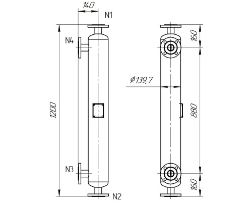
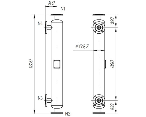
| Соединение: | Фланцевое DN 40 мм, PN 1,0 МПа, DIN 2576 |
| Объем межтрубной полости (л): | 9,2 |
| Расход теплоносителя (кг/час): | 718 |
| Расход хладоносителя (кг/час): | 17290 |
Теплообменник WSH-208 от ООО "__________________" предназначен для эффективного теплообмена в промышленных, коммерческих и инженерных системах. Изделие изготавливается по собственным техническим условиям (ТУ) и соответствует международным стандартам ISO, что обеспечивает высокое качество, надежность и долговечность.
Преимущества:
- Высокая эффективность теплообмена
- Устойчивость к высоким температурам и давлению
- Надежная сварная конструкция
- Изготовление под заказ с возможностью изменения параметров
- Соответствие международным стандартам
Сферы применения:
- Отопительные и вентиляционные системы
- Теплообменное оборудование промышленных предприятий
- Технологические процессы в пищевой, химической и других отраслях
- Рекуперация тепла и энергоэффективные решения
Свяжитесь с нами для получения консультации или оформления заказа!
