| Производительность (кВт): | 250 |
| Объем полости (л): | 2,6 |
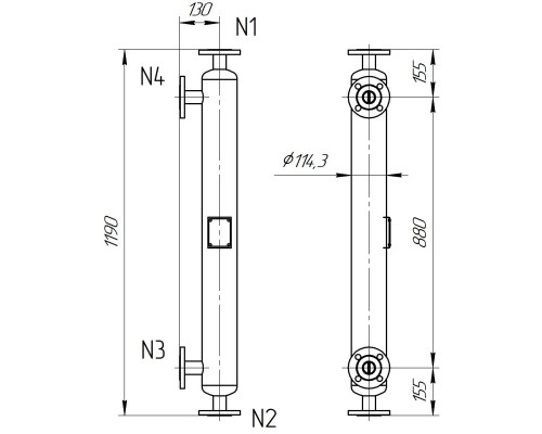
| Рабочее давление (МПа): | 1,0 |
| Вес (кг): | 24,4 |
| Площадь поверхности (м²): | 0,68 |
| Соединение: | Фланцевое DN 32 мм, PN 1,0 МПа, DIN 2576 |
| Объем межтрубной полости (л): | 6,1 |
| Расход теплоносителя (кг/час): | 477 |
| Расход хладоносителя (кг/час): | 10753 |
Теплообменник WSH-204 от ООО "__________________" предназначен для эффективного теплообмена в промышленных, коммерческих и инженерных системах. Изделие изготавливается по собственным техническим условиям (ТУ) и соответствует международным стандартам ISO, что обеспечивает высокое качество, надежность и долговечность.
Преимущества:
- Высокая эффективность теплообмена
- Устойчивость к высоким температурам и давлению
- Надежная сварная конструкция
- Изготовление под заказ с возможностью изменения параметров
- Соответствие международным стандартам
Сферы применения:
- Отопительные и вентиляционные системы
- Теплообменное оборудование промышленных предприятий
- Технологические процессы в пищевой, химической и других отраслях
- Рекуперация тепла и энергоэффективные решения
Свяжитесь с нами для получения консультации или оформления заказа!
