Артикул:
kalorifer psv kpts 14 m 1k23
Производитель:
Промтехсервис
Наличие:
Есть в наличии
108396.00 ...
Производительность (кВт):
429,4
Производительность (м³/час):
31500
Все характеристики

Промышленный калорифер на базе оребренной трубы ПСВ КПТС 14.М-1К23 – это эффективное теплообменное устройство, предназначенное для обогрева больших помещений и технологического нагрева воздуха. Благодаря использованию оребренных труб, он имеет увеличенную площадь теплообмена, что обеспечивает высокую производительность и энергоэффективность.

Принцип работы:

Калорифер использует горячую воду в качестве теплоносителя, который циркулирует внутри оребренных труб. Воздух, проходя между ребрами, нагревается и равномерно распределяется по помещению, поддерживая стабильную температуру.

Преимущества:

  • Высокая эффективность теплообмена
  • Надежная и долговечная конструкция
  • Защита от коррозии
  • Экономичное энергопотребление
  • Простой монтаж и обслуживание

Сфера применения:

  • Промышленные цеха и склады
  • Вентиляционные и отопительные системы
  • Сушильные и технологические линии
  • Фермерские и агропромышленные объекты

Почему выбирают нас?

ООО "__________________" – это надежный производитель промышленного теплотехнического оборудования. Мы гарантируем:

  • Высокое качество продукции, изготовленной по собственным ТУ в соответствии со стандартами ISO
  • Индивидуальные расчёты и проектирование под потребности заказчика
  • Контроль качества на всех этапах производства

Свяжитесь с нами, чтобы получить консультацию и заказать промышленный калорифер по выгодной цене!

Характеристики

Производительность (кВт):
429,4
Производительность (м³/час):
31500
Тип энергоносителя:
Вода
Материал:
Конструкционная сталь
Объем полости (л):
21
Оребрение:
Алюминий АД0
Количество рядов:
2
Площадь поверхности (м²):
77,2
Рабочее давление (МПа):
1,2
Соединение:
Резьбовое, Фланцевое, Под приварку
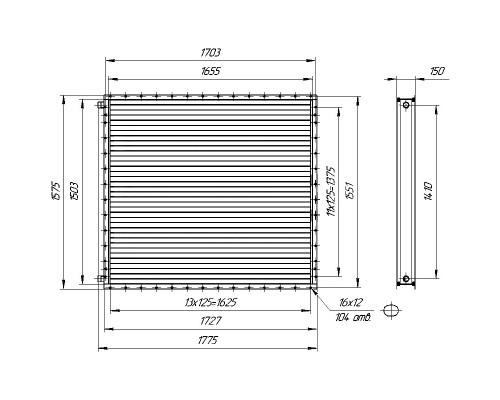
Длинна (мм):
1727
Высота (мм):
1575
Ширина (мм):
150
Вес (кг):
178,8