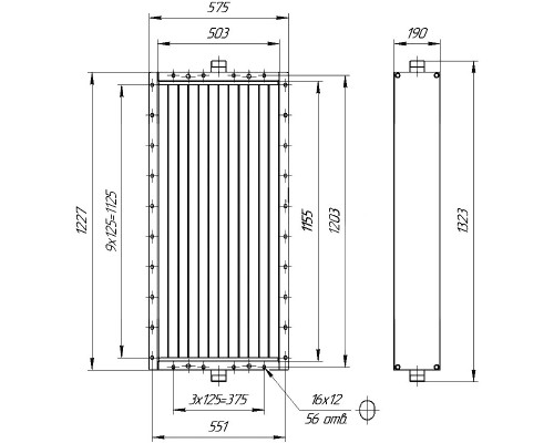
Промышленный калорифер на базе оребренной трубы ПСП КПТС 08.В-1К23 – это эффективное теплообменное устройство, предназначенное для обогрева больших помещений и технологического нагрева воздуха. Благодаря использованию оребренных труб, он имеет увеличенную площадь теплообмена, что обеспечивает высокую производительность и энергоэффективность.
Принцип работы:
Калорифер использует горячий пар в качестве теплоносителя, который подается внутрь оребренных труб. Воздух, проходя между ребрами, нагревается и равномерно распределяется по помещению, поддерживая стабильную температуру.
Преимущества:
- Высокая эффективность теплообмена
- Надежная и долговечная конструкция
- Защита от коррозии
- Экономичное энергопотребление
- Простой монтаж и обслуживание
Сфера применения:
- Промышленные цеха и склады
- Вентиляционные и отопительные системы
- Сушильные и технологические линии
- Фермерские и агропромышленные объекты
Почему выбирают нас?
ООО "__________________" – это надежный производитель промышленного теплотехнического оборудования. Мы гарантируем:
- Высокое качество продукции, изготовленной по собственным ТУ в соответствии со стандартами ISO
- Индивидуальные расчёты и проектирование под потребности заказчика
- Контроль качества на всех этапах производства
Свяжитесь с нами, чтобы получить консультацию и заказать промышленный калорифер по выгодной цене!
